0440373960

asennus@sahkocenter.fi

Vanha Hämeentie 18, Turku

ETUSIVU - Moottorialustat - SL307 moottorialusta sähkömoottoreille 90-112
Loading...

SL307 moottorialusta sähkömoottoreille 90-112

Moottorialustat

SL307 moottorialusta sähkömoottoreille 90-112

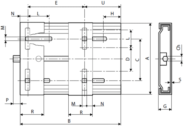
SL307 Säädettävä Moottorialusta - Täsmäratkaisu Kompakteille Moottoreille Sähkö-centerin SL307 säädettävä moottorialusta on kehitetty erityisesti pienimmille teollisuusmoottoreille, joiden runkokoko on 90-112. Tämä tarkasti mitoitettu ja kevytrakenteinen moottorijalusta tarjoaa optimaalisen ratkaisun tilanteisiin, joissa tilankäyttö on rajallista mutta säätötarkkuus on silti kriittistä. Erityisominaisuudet ja Sovellukset: Kevyt ja Tiivis Rakenne: SL307:n kompakti muotoilu tekee siitä ihanteellisen valinnan sovelluksiin, joissa asennustila on rajoitettu. Huolimatta pienemmistä mitoista, alusta tarjoaa riittävän säätövaran tehokkaaseen moottorin sijainnin optimointiin.Tarkkuussuunnittelu Pienille Moottoreille: Alusta on erityisesti optimoitu 90-112 runkokokoluokan moottoreiden vaatimuksiin, mikä takaa täydellisen yhteensopivuuden ja optimaalisen toiminnan.Korkealaatuinen 3mm Sinkittylevy: Vaikka materiaali on ohuempi kuin suuremmissa malleissa, 3 millimetrin sinkitty teräslevy tarjoaa erinomaisen lujuus-painosuhteen ja tehokkaan korroosionkestävyyden kompakteille sovelluksille. Yksityiskohtaiset Tekniset Mitat:
Mittamerkintä Mitta (mm)
A 213
B 307
C 108
D 65
E (minimi) 100
G 35
H 30
L 50
M 10,5
N 20
P 42
R 70
S 3 (sinkitty teräslevy)
U 175
Ch 19
Käytännön Sovellukset ja Hyödyt: Pienkoneiden Voimansiirrot: SL307 on erityisen hyödyllinen pienemmissä tuotantokoneissa, kuljetinjärjestelmissä ja työstökoneissa, joissa tila on rajallista mutta säätömahdollisuus on välttämätön.Hihnakäyttöjen Hienosäätö: Kompakti rakenne mahdollistaa tarkan hihnajännityksen säädön myös ahtaissa tiloissa. Tämä on erityisen tärkeää pienissä koneissa, joissa jopa pienet säätövirheet voivat vaikuttaa merkittävästi suorituskykyyn.Ketjukäyttöjen Ylläpito: Pienikokoisissa ketjukäytöissä oikea kireys on erityisen kriittistä, sillä ketjun venyvyys ja kuluminen voivat vaikuttaa nopeasti toimintaan. SL307 mahdollistaa nopeat korjaukset. Suunnittelun Erityispiirteet: Optimoitu Paino-Lujuussuhde: 3 millimetrin teräslevyn käyttö varmistaa riittävän lujuuden säilyttäen samalla kevyen rakenteen, mikä on tärkeää kompakteissa asennuksissa.Tarkka Valmistustoleranssi: Pienempi koko vaatii suurempaa tarkkuutta valmistuksessa. SL307 on valmistettu tiukkojen toleranssien mukaisesti varmistaen sujuva toiminta.Modulaarinen Yhteensopivuus: Alusta on suunniteltu toimimaan saumattomasti muiden Sähkö-centerin tuotteiden kanssa, mahdollistaen järjestelmän laajennukset ja muutokset. Asennuksen ja Huollon Edut: Nopea Käyttöönotto: Kompakti rakenne ja selkeät asennuspisteet tekevät SL307:n asennuksesta nopeaa ja yksinkertaista. Vähemmän liikkuvia osia tarkoittaa myös vähemmän huoltotarvetta.Tarkat Säätömahdollisuudet: Pienempi koko ei tarkoita heikompaa säätötarkkuutta - SL307 mahdollistaa millimetrintarkan sijainnin säädön.Helppo Pääsy Huoltoon: Kompaktin koon ansiosta alusta ei haittaa muiden komponenttien huoltoa tai tarkastuksia. Sähkö-centerin Asiantuntemus: Sovellustuki: Kompaktit ratkaisut vaativat usein erikoisosaamista. Sähkö-centerin insinöörit auttavat suunnittelemaan optimaalisen asennuksen juuri sinun sovellukseesi.Laadunvalvonta: Jokainen SL307 moottorialusta tarkastetaan huolellisesti ennen toimitusta, varmistamatta että se täyttää kaikki tekniset vaatimukset.Jälkituki: Tarjoamme kattavan teknisen tuen ja huoltopalvelun koko tuotteen elinkaaren ajan. Päätelmä: SL307 säädettävä moottorialusta on erikoistunut ratkaisu, joka yhdistää kompaktin koon, keveyden ja luotettavuuden. Se on täydellinen valinta sovelluksiin, joissa jokainen millimetri tilaa on tärkeä, mutta säätömahdollisuudesta ei haluta tinkiä.Kysy lisätietoja SL307 moottorialustasta Sähkö-centeriltä - autamme löytämään oikean ratkaisun projektillesi!

Varastotuotteet lähetetään viimeistään tilausta seuraavana arkipäivänä.
Toimituskulut alkaen 4,90 EUR. Nouto myymälästä 0,00 EUR.

NOPEAT TOIMITUKSET

TURVALLINEN MAKSAMINEN

AINA VARASTOSSA

Yritysasiakkaan tarjouspyyntö

Oletko yritysasiakas? Mikäli kyllä, voit lähettää meille tarjouspyynnön alla olevalla lomakkeella. Liitä mukaan kaikki tuotteet, joista olet kiinnostostunut ja lisää mukaan myös tuotteiden lukumäärät. 

Olemme sinuun yhteydessä tarjouksen kanssa mahdollisimman pian!